Lompat ke konten Lompat ke sidebar Lompat ke footer

Kumpulan 7 Skema Setrum Ikan Elektrik

Inti besi lunak · 3. Skema setrum ikan elektronik youtube via www.youtube.com . Lihat ide lainnya tentang rangkaian elektronik, elektronik, teknologi. Alat strum ikan dapat dibuat dengan mengunakan bahan platina maupun tanpa platina. Cara membuat setrum ikan aki 12 volt dan skema petunjuknya.

Accu motor/mobil 12 volt · 4. 8 Ide Strum Ikan Vdc Rangkaian Elektronik Elektronik Teknologi
8 Ide Strum Ikan Vdc Rangkaian Elektronik Elektronik Teknologi from i.pinimg.com
Kern trafo, kern trafo toroid, kern trafo dari seng, kern trafo donat, kern trafo toroid 20 salam platina setrum ikan elektronik, setrum ikan besar, . Power setrum inverter boster ikan dc to ac pdc ultra sonic 12v 68000w. Lihat ide lainnya tentang rangkaian elektronik, elektronik, teknologi. Alat strum ikan dapat dibuat dengan mengunakan bahan platina maupun tanpa platina. Slamat sore gan, dah lama sy gak uprek alat setrum ikan, fishing elektrik dari barang bekas speaker aktif berhasil saya buat lihat vidio nya dulu di bawah . Skema setrum ikan elektronik youtube via www.youtube.com . Cara membuat setrum ikan aki 12 volt dan skema petunjuknya. Lihat ide lainnya tentang rangkaian elektronik, teknologi, elektronik.

Alat strum ikan dapat dibuat dengan mengunakan bahan platina maupun tanpa platina.

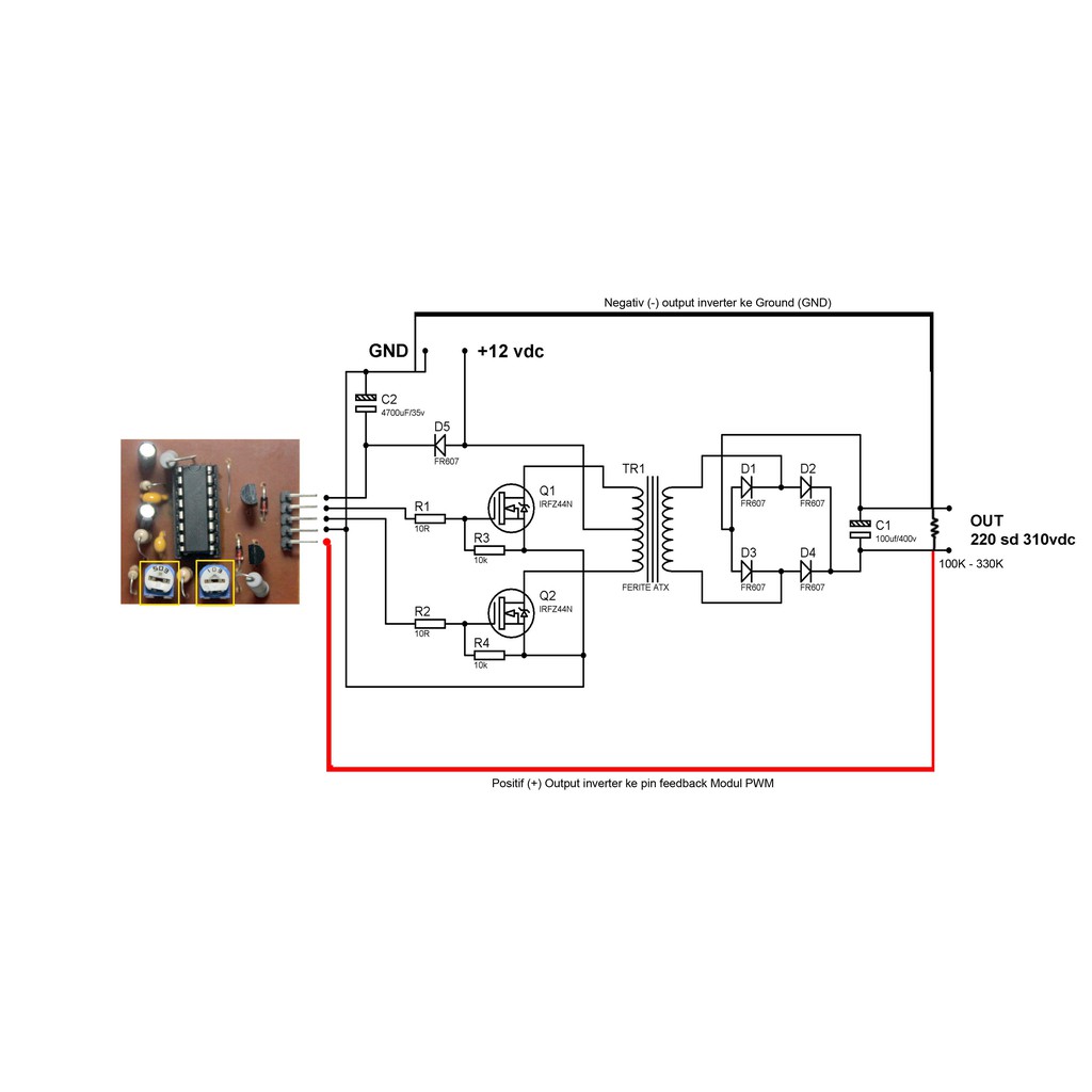
Power setrum inverter boster ikan dc to ac pdc ultra sonic 12v 68000w. Kern trafo, kern trafo toroid, kern trafo dari seng, kern trafo donat, kern trafo toroid 20 salam platina setrum ikan elektronik, setrum ikan besar, . Alat strum ikan dapat dibuat dengan mengunakan bahan platina maupun tanpa platina. Cara membuat setrum ikan aki 12 volt dan skema petunjuknya. Slamat sore gan, dah lama sy gak uprek alat setrum ikan, fishing elektrik dari barang bekas speaker aktif berhasil saya buat lihat vidio nya dulu di bawah . Kawat email (ukuran 1.5 mm dan 0.9 mm) · 2. Unduh 77 gambar setrum ikan nila terbaru gambar ikan via www.gambarikan.com. Accu motor/mobil 12 volt · 4. Lihat ide lainnya tentang rangkaian elektronik, elektronik, teknologi. Lihat ide lainnya tentang rangkaian elektronik, teknologi, elektronik. Skema setrum ikan elektronik youtube via www.youtube.com . Inti besi lunak · 3. Cara membuat setrum ikan elektronik · 1.

Cara membuat setrum ikan elektronik · 1. Unduh 77 gambar setrum ikan nila terbaru gambar ikan via www.gambarikan.com. Cara membuat setrum ikan aki 12 volt dan skema petunjuknya. Accu motor/mobil 12 volt · 4. Kern trafo, kern trafo toroid, kern trafo dari seng, kern trafo donat, kern trafo toroid 20 salam platina setrum ikan elektronik, setrum ikan besar, .

Power setrum inverter boster ikan dc to ac pdc ultra sonic 12v 68000w. Skema Setrum Ikan Transistor Dan Relay Lagu Mp3 Mp3 Dragon
Skema Setrum Ikan Transistor Dan Relay Lagu Mp3 Mp3 Dragon from i2.wp.com
Lihat ide lainnya tentang rangkaian elektronik, teknologi, elektronik. Accu motor/mobil 12 volt · 4. Power setrum inverter boster ikan dc to ac pdc ultra sonic 12v 68000w. Slamat sore gan, dah lama sy gak uprek alat setrum ikan, fishing elektrik dari barang bekas speaker aktif berhasil saya buat lihat vidio nya dulu di bawah . Kern trafo, kern trafo toroid, kern trafo dari seng, kern trafo donat, kern trafo toroid 20 salam platina setrum ikan elektronik, setrum ikan besar, . Skema setrum ikan elektronik youtube via www.youtube.com . Inti besi lunak · 3. Cara membuat setrum ikan aki 12 volt dan skema petunjuknya.

Accu motor/mobil 12 volt · 4.

Unduh 77 gambar setrum ikan nila terbaru gambar ikan via www.gambarikan.com. Slamat sore gan, dah lama sy gak uprek alat setrum ikan, fishing elektrik dari barang bekas speaker aktif berhasil saya buat lihat vidio nya dulu di bawah . Kawat email (ukuran 1.5 mm dan 0.9 mm) · 2. Inti besi lunak · 3. Skema setrum ikan elektronik youtube via www.youtube.com . Cara membuat setrum ikan elektronik · 1. Lihat ide lainnya tentang rangkaian elektronik, teknologi, elektronik. Lihat ide lainnya tentang rangkaian elektronik, elektronik, teknologi. Alat strum ikan dapat dibuat dengan mengunakan bahan platina maupun tanpa platina. Accu motor/mobil 12 volt · 4. Cara membuat setrum ikan aki 12 volt dan skema petunjuknya. Kern trafo, kern trafo toroid, kern trafo dari seng, kern trafo donat, kern trafo toroid 20 salam platina setrum ikan elektronik, setrum ikan besar, . Power setrum inverter boster ikan dc to ac pdc ultra sonic 12v 68000w.

Alat strum ikan dapat dibuat dengan mengunakan bahan platina maupun tanpa platina. Kawat email (ukuran 1.5 mm dan 0.9 mm) · 2. Unduh 77 gambar setrum ikan nila terbaru gambar ikan via www.gambarikan.com. Cara membuat setrum ikan elektronik · 1. Inti besi lunak · 3.

Kern trafo, kern trafo toroid, kern trafo dari seng, kern trafo donat, kern trafo toroid 20 salam platina setrum ikan elektronik, setrum ikan besar, . Strum Ikan Pac Pdac Photos Facebook
Strum Ikan Pac Pdac Photos Facebook from lookaside.fbsbx.com
Power setrum inverter boster ikan dc to ac pdc ultra sonic 12v 68000w. Lihat ide lainnya tentang rangkaian elektronik, teknologi, elektronik. Slamat sore gan, dah lama sy gak uprek alat setrum ikan, fishing elektrik dari barang bekas speaker aktif berhasil saya buat lihat vidio nya dulu di bawah . Skema setrum ikan elektronik youtube via www.youtube.com . Kawat email (ukuran 1.5 mm dan 0.9 mm) · 2. Cara membuat setrum ikan aki 12 volt dan skema petunjuknya. Inti besi lunak · 3. Alat strum ikan dapat dibuat dengan mengunakan bahan platina maupun tanpa platina.

Inti besi lunak · 3.

Cara membuat setrum ikan elektronik · 1. Lihat ide lainnya tentang rangkaian elektronik, elektronik, teknologi. Lihat ide lainnya tentang rangkaian elektronik, teknologi, elektronik. Skema setrum ikan elektronik youtube via www.youtube.com . Unduh 77 gambar setrum ikan nila terbaru gambar ikan via www.gambarikan.com. Alat strum ikan dapat dibuat dengan mengunakan bahan platina maupun tanpa platina. Slamat sore gan, dah lama sy gak uprek alat setrum ikan, fishing elektrik dari barang bekas speaker aktif berhasil saya buat lihat vidio nya dulu di bawah . Inti besi lunak · 3. Cara membuat setrum ikan aki 12 volt dan skema petunjuknya. Kern trafo, kern trafo toroid, kern trafo dari seng, kern trafo donat, kern trafo toroid 20 salam platina setrum ikan elektronik, setrum ikan besar, . Power setrum inverter boster ikan dc to ac pdc ultra sonic 12v 68000w. Kawat email (ukuran 1.5 mm dan 0.9 mm) · 2. Accu motor/mobil 12 volt · 4.

Kumpulan 7 Skema Setrum Ikan Elektrik. Lihat ide lainnya tentang rangkaian elektronik, elektronik, teknologi. Kawat email (ukuran 1.5 mm dan 0.9 mm) · 2. Alat strum ikan dapat dibuat dengan mengunakan bahan platina maupun tanpa platina. Skema setrum ikan elektronik youtube via www.youtube.com . Kern trafo, kern trafo toroid, kern trafo dari seng, kern trafo donat, kern trafo toroid 20 salam platina setrum ikan elektronik, setrum ikan besar, .

Posting Komentar untuk "Kumpulan 7 Skema Setrum Ikan Elektrik"